| Sign In | Join Free | My gastesters.com |
|
Brand Name : LINK-PP
Model Number : MOX-RJ45V-102
Certification : UL,ROHS,Reach,ISO
Place of Origin : GuangDong, China
MOQ : 50/500/1000/25K
Price : $0.09-$1.85
Payment Terms : TT,NET30/60/90 Days
Supply Ability : 3000000/Month
Delivery Time : Stock
Packaging Details : Tray & Carton&Reel
Design PN# : MOX-RJ45V-102
Samples : Available Free
Orientation : 90° Angle (Right)
Interface : 1000Mbps
LED : Flexible
Made In China : LPJD0012BENL
| LPJD0012BENL MOX-RJ45V-102G/ MOX-RJ45V-102H/ MOX-RJ45V-102W | ||||||||||||||||||||||||||||||||
| Trader Part Number | MOX-RJ45V-102 Series |
| ||||||||||||||||||||||||||||||
|---|---|---|---|---|---|---|---|---|---|---|---|---|---|---|---|---|---|---|---|---|---|---|---|---|---|---|---|---|---|---|---|---|
| Made in China Cross | LPJD0012BHNL/LPJD0012BDNL/ LPJD0012BGNL/LPJD0012BANL | |||||||||||||||||||||||||||||||
| Manufacturer | LINK-PP China | |||||||||||||||||||||||||||||||
| Description | Rj45 1000Base-T Jack | |||||||||||||||||||||||||||||||
| Documents Available | PDF/3D/Step/IGS/Price/Cross | |||||||||||||||||||||||||||||||
| Quantity Available | 200,000 PCS or 4 weeks | |||||||||||||||||||||||||||||||
| MOX-RJ45V-102G | LPJD0012BENL | AR11-3909I | AR26-4057 |
| MOX-RJ45V-102H | LPJD0012BDNL | ARA517-1252S | AR28-3771 |
| MOX-RJ45V-102W | LPJD0012BANL | LPJD0012BGNL | AR28-3768 |
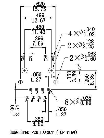
100Base-T
Impedance: 100OHMS
RJ45 jack cavity conforms to FCC rules and regulations Part 68, SUB Part F
Industrial Operating Temp: 0ºC to +70ºC Or -40ºC to +85ºC
Optional Gold Plating Thickness
Other LED Patterns available


|
|
LPJD0012BGNL Vertical Mount RJ45 MOX-RJ45V-102 Cross 10/100 BASE-TX Magnetic Images |